Heavy Duty Linear Guide Rails SGR

SGR 15/20/25/30/35/45/55/65

HIWIN HG Fully Interchangeable

  • Rail length: up to 6 m
  • Accuracy grades: C, H, P
  • Sizes: 15, 20, 25, 30, 35, 45, 55, 65
  • Block mounting types: top mounting / bottom mounting 
  • Dust protection options: 
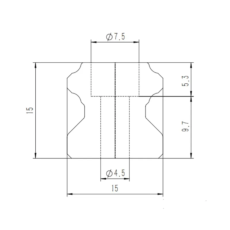
Brand Model Dimensions of Rail (mm) Weight kg/m Interchange Level
THK SRG15 20/17.5/9.5/8.5/6/60/20 2.21 100%
HIWIN HGH 15 20/17.5/9.5/8.5/6/60/20 2.21 100%
DTX-LG SRR 15 20/17.5/9.5/8.5/6/60/20 2.21 100%

Why DTX-LG heavy load linear slide rails?

01. CNC Precision Drilling Machine for linear guide rails

DTX-LG Adopting a Mirror-Symmetric Drilling System, the dual-spindle real-time synchronization error ≤0.003mm ensures balanced thermal dissipation across the guideway cross-section.
This eliminates arc-shaped deformation caused by unilateral processing, guaranteeing full-length straightness stability ≤0.005mm/m (exceeding ISO Class C precision standards).

types of linear guide rails

02. Smart Batch Sampling: Precision Assured, Costs Controlled

linear guide testing

Every DTX-LG lot undergoes rigorous sampling, ensuring ±0.005mm/m straightness & ISO Class C+ precision. Zero-defect guarantee.

03. Bulk Production Excellence for Distributor Inventory Assurance

Mass-produced with 100% batch sampling, ensuring 24hr-ready stocks for distributors. Guaranteed ±0.005mm precision at volume pricing.

Become Distributor →

guide lines washing

04. High-rigidity material

testing report

DTX-LG linear guides rail feature higher C/Si/Cr content than leading Taiwanese and Japanese brands, improving rigidity while maintaining full interchangeability.

DTX-LG SGR linear guide rails are fully interchangeable with the Hiwin HG series linear guideway and are available in lengths up to 6 meters. The rail joint gap is less than 0.1mm, ensuring smooth motion with a maximum travel accuracy of 2 microns. Manufactured from S55C bearing steel and heat-treated to a surface hardness of 59–62 HRC, these linear slide rails deliver superior durability and precision. As a linear guide rail and carriage factory, we provide additional protection for harsh production environments — including dust caps and optional stainless steel dustproof belts — to effectively block chips and debris, improving machine safety and reliability. The SGR square block linear guide rail is designed to work perfectly with SGH and SGE blocks, offering a robust linear slide guide rail solution ideal for linear guides for CNC machines and other high-precision applications.

Questions? You’re covered

As a manufacturer of linear guide rails, DTX-LG offers professional service from R&D and production to final adjustment. We look forward to exploring new challenges with you.

01. Are DTX-LG SGR linear guide rails fully interchangeable with Hiwin HG series linear motion guideways?

Yes. The SGR linear guide rails are designed to be 100% interchangeable with Hiwin HG series linear motion guideways, with identical mounting dimensions, ensuring easy replacement without modifications.

Our standard linear guide rails are available in lengths up to 6 meters. For longer applications, rail joints can be used, with a joint gap of less than 0.1mm, ensuring smooth linear motion. Customized lengths are also available upon request.

The SGR linear rail system ensures maximum travel accuracy of up to 2 microns, making it highly suitable for CNC machines and other precision applications.

Standard models are in stock and available for fast delivery. Custom sizes may have a lead time depending on order requirements. All linear guideways are treated with anti-rust oil and reinforced packaging to ensure safe transportation.

As one of the professional linear guideway suppliers, we provide product catalogs, installation manuals, marketing materials, and sample support to help distributors promote our linear rail system effectively in their local markets.

expoler Products

Want a quick quote?

Please fill out the form below — our engineer will contact you shortly based on the information you provide.






    Get Your Linear Guide STEP File

    Leave your contact information to receive the STEP file and get professional technical support and product selection advice